主要用途
ZD80、ZD90、ZD100均為外嚙合漸開線人字齒圓柱齒輪減速器,主要用于冶金、礦山、水泥建材機械等行業。

ZD80、ZD90、ZD100系列人字齒圓柱齒輪減速器主要技術規格
表一

主要零部件
1、高速軸材料采用42CrMo。
2、大齒輪由齒圈和輪芯組合而成,齒圈材料采用35SiMn,輪芯材料采用HT200°。
3、機蓋、油池由A3鋼板焊接而成。
4、機座采用HT200。
適用條件
1、減速器輸入轉速不高于750r/min。
2、減速器工作環境溫度-40℃~+40℃。
3、減速器可用于正、反運轉。
ZD80、ZD90、ZD100系列人字齒圓柱齒輪減速器吊運與安裝
吊運與安裝
1、起吊整機時,應用機體上的吊鉤起吊,嚴禁用機蓋上的吊鉤起吊。
2、安裝前應先澆好牢固的地腳,并保證整機處于水平狀態。
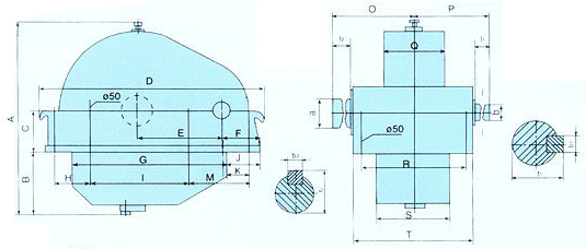
3、外形尺寸如圖及表二

表二

潤滑
潤滑方式采用油池飛濺潤滑,潤滑油采用120#~320#工業齒輪油,若需要采用特殊冷卻裝置時,則視油泵性能可采用10#或14#機油。
冷卻
冷卻方式有:油冷或油冷加循環水冷卻,以及強冷。
裝配形式及代號

ZD80、ZD90、ZD100系列人字齒圓柱齒輪減速器傳動比
表四